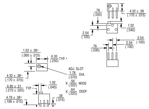
POT - TRIMPOT - DIAL > OX 3266
OX 3266
Specifications
Standard resistance range 10 to 1 megohms
Resistance tolerance ±10% std.
Absolute minimum resistance 1% or 2 ohms max.
Contact resistance variation 3.0% or 3 ohms max.
Adjustablility
Voltage ±0.02%
Resistance ±0.05%
Resolution Infinite
Insulation resistance 500 vdc. 1,000 megohms min.
Dielectric strength
Sea level 600 vac
80,000 feet 250 vac
Effective travel 12 turns nom.


Görüntüyü yazdırmak için üzerine tıklayınız.