POT - TRIMPOT - DIAL > OX 506
OX 506
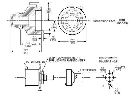
Mechanical and Physical Characteristics
Number of Turns 0 to 15
Dial Devisions 50 per turn
Readability - Over 10 Turns 2 parts in 1000
Torque With Brake Engaged 7.0 oz-in. (5.0 Ncm) minimum
Weight 7 grams
Markings White on black background
Set Screws 2 screws 120o apart
-------------------------
Shaft and Bushing Requirements
Shaft Extensions Beyond Panel 0.6890 in. (17.5mm) minimum
0.8858 in. (22.5mm) maximum
Bushing Extension Beyond Panel 0.3937 in. (10mm) maximum


Görüntüyü yazdırmak için üzerine tıklayınız.